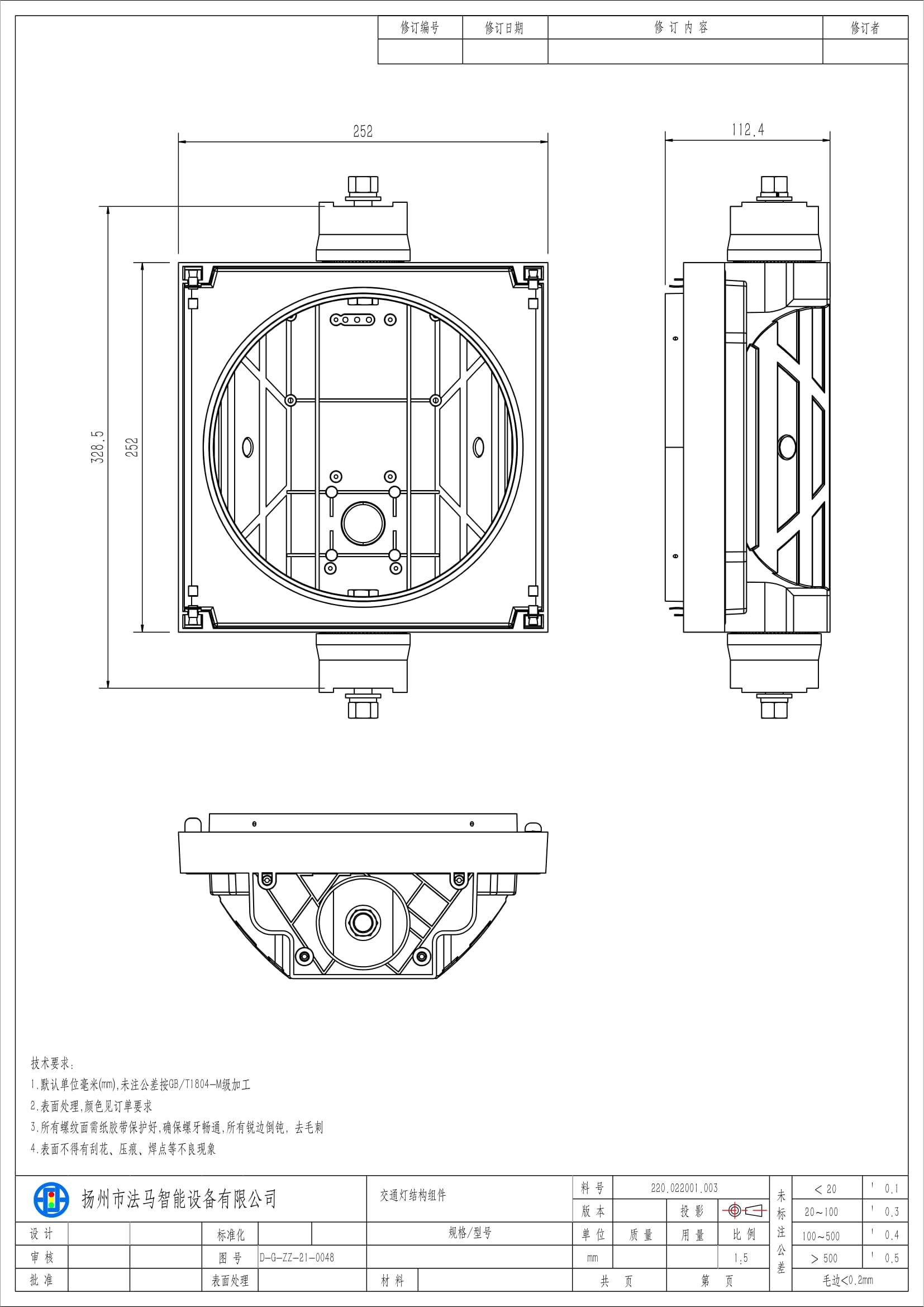
Semáforo de bola completa de bajo consumo rojo/amarillo/verde con temporizador de cuenta regresiva
Leer más

